Screw Data
| DRILL AND COUNTERBORE SIZES FOR SOCKET HEAD CAP SCREWS | ||||||
|
||||||
| Nominal Size or Basic Screw Diameter | Nominal Drill Size | |||||
| Close Fit | Normal Fit | |||||
| Number or Fractional Size | Decimal Size | Number or Fractional Size | Decimal Size | Counterbore Diameter | Countersink Diameter | |
| A | B | C | ||||
| 0 0.0600 | 51 | 0.067 | 49 | 0.073 | 1/8 | 0.074 |
| 1 0.0730 | 46 | 0.081 | 43 | 0.089 | 5/32 | 0.087 |
| 2 0.0860 | 3/32 | 0.094 | 36 | 0.106 | 3/16 | 0.102 |
| 3 0.0990 | 36 | 0.106 | 31 | 0.120 | 7/32 | 0.115 |
| 4 0.1120 | 1/8 | 0.125 | 29 | 0.136 | 7/32 | 0.130 |
| 5 0.1250 | 9/64 | 0.141 | 23 | 0.154 | 1/4 | 0.145 |
| 6 0.1380 | 23 | 0.154 | 18 | 0.170 | 9/32 | 0.158 |
| 8 0.1640 | 15 | 0.180 | 10 | 0.194 | 5/16 | 0.188 |
| 10 0.1900 | 5 | 0.206 | 2 | 0.221 | 3/8 | 0.218 |
| 1/4 0.2500 | 17/64 | 0.266 | 9/32 | 0.281 | 7/16 | 0.278 |
| 5/16 0.3125 | 21/64 | 0.328 | 11/32 | 0.344 | 17/32 | 0.346 |
| 3/8 0.3750 | 25/64 | 0.391 | 13/32 | 0.406 | 5/8 | 0.415 |
| 7/16 0.4375 | 29/64 | 0.453 | 15/32 | 0.469 | 23/32 | 0.483 |
| 1/2 0.5000 | 33/64 | 0.516 | 17/32 | 0.531 | 13/16 | 0.552 |
| 5/8 0.6250 | 41/64 | 0.641 | 21/32 | 0.656 | 1 | 0.689 |
| 3/4 0.7500 | 49/64 | 0.766 | 25/32 | 0.781 | 1 3/16 | 0.828 |
| 7/8 0.8750 | 57/64 | 0.891 | 29/32 | 0.906 | 1 3/8 | 0.963 |
| 1 1.0000 | 1 1/64 | 1.016 | 1 1/32 | 1.031 | 1 5/8 | 1.100 |
| 1 1/4 1.2500 | 1 9/32 | 1.281 | 1 5/16 | 1.312 | 2 | 1.370 |
| 1 1/2 1.5000 | 1 17/32 | 1.531 | 1 9/16 | 1.562 | 2 3/8 | 1.640 |
| 1 3/4 1.7500 | 1 25/32 | 1.781 | 1 13/16 | 1.812 | 2 3/4 | 1.910 |
| 2 2.0000 | 2 1/32 | 2.031 | 2 1/16 | 2.062 | 3 1/8 | 2.180 |
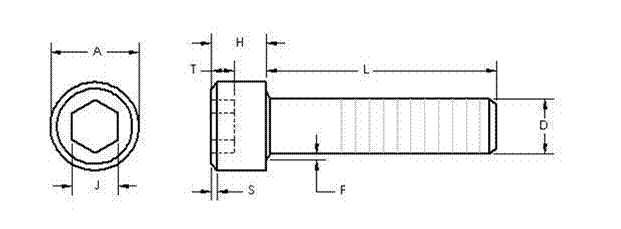
| STANDARD SOCKET HEAD CAP SCREWS | |||||||||||
![]() |
|||||||||||
| Nominal Size | Body Diameter | Head Diameter | Head Height | Hex. Socket Size | Fillet Ext. |
Key Engage- |
|||||
| Max | Min | Max | Min | Max | Min | Nom | Max | ||||
| D | A | H | J | F | T | ||||||
| 0 | 0.0600 | 0.0568 | 0.096 | 0.091 | 0.060 | 0.057 | 0.050 | 0.007 | 0.025 | ||
| 1 | 0.0730 | 0.0695 | 0.180 | 0.112 | 0.073 | 0.070 | 1/16 0.062 | 0.007 | 0.031 | ||
| 2 | 0.0860 | 0.0822 | 0.140 | 0.134 | 0.086 | 0.083 | 5/64 0.078 | 0.008 | 0.038 | ||
| 3 | 0.0990 | 0.0949 | 0.161 | 0.154 | 0.099 | 0.095 | 5/64 0.078 | 0.008 | 0.044 | ||
| 4 | 0.1120 | 0.1075 | 0.183 | 0.176 | 0.112 | 0.108 | 3/32 0.094 | 0.009 | 0.051 | ||
| 5 | 0.1250 | 0.1202 | 0.205 | 0.198 | 0.125 | 0.121 | 3/32 0.094 | 0.010 | 0.057 | ||
| 6 | 0.1380 | 0.1329 | 0.226 | 0.218 | 0.138 | 0.134 | 7/64 0.109 | 0.010 | 0.064 | ||
| 8 | 0.1640 | 0.1585 | 0.270 | 0.262 | 0.164 | 0.159 | 9/64 0.141 | 0.012 | 0.077 | ||
| 10 | 0.1900 | 0.1840 | 0.312 | 0.303 | 0.190 | 0.185 | 5/32 0.156 | 0.014 | 0.090 | ||
| 1/4 | 0.2500 | 0.2435 | 0.375 | 0.365 | 0.250 | 0.244 | 3/16 0.188 | 0.014 | 0.120 | ||
| 5/16 | 0.3125 | 0.3053 | 0.469 | 0.457 | 0.312 | 0.306 | 1/4 0.250 | 0.017 | 0.151 | ||
| 3/8 | 0.3750 | 0.3678 | 0.562 | 0.550 | 0.375 | 0.368 | 5/16 0.312 | 0.020 | 0.182 | ||
| 7/16 | 0.4375 | 0.4294 | 0.656 | 0.642 | 0.438 | 0.430 | 3/8 0.375 | 0.023 | 0.213 | ||
| 1/2 | 0.5000 | 0.4919 | 0.750 | 0.735 | 0.500 | 0.492 | 3/8 0.375 | 0.026 | 0.245 | ||
| 5/8 | 0.6250 | 0.6163 | 0.938 | 0.921 | 0.625 | 0.616 | 1/2 0.500 | 0.032 | 0.307 | ||
| 3/4 | 0.7500 | 0.7406 | 1.125 | 1.107 | 0.750 | 0.740 | 5/8 0.625 | 0.039 | 0.370 | ||
| 7/8 | 0.8750 | 0.8647 | 1.312 | 1.293 | 0.875 | 0.864 | 3/4 0.750 | 0.044 | 0.432 | ||
| 1 | 1.0000 | 0.9886 | 1.500 | 1.479 | 1.000 | 0.988 | 3/4 0.750 | 0.050 | 0.495 | ||
| 1 1/8 | 1.1250 | 1.1086 | 1.688 | 1.665 | 1.125 | 1.111 | 7/8 0.875 | 0.055 | 0.557 | ||
| 1 1/4 | 1.2500 | 1.2336 | 1.875 | 1.852 | 1.250 | 1.236 | 7/8 0.875 | 0.060 | 0.620 | ||
| 1 3/8 | 1.3750 | 1.3568 | 2.062 | 2.038 | 1.375 | 1.360 | 1 1.000 | 0.065 | 0.682 | ||
| 1 1/2 | 1.5000 | 1.4818 | 2.250 | 2.224 | 1.500 | 1.485 | 1 1.000 | 0.070 | 0.745 | ||
| 1 3/4 | 1.7500 | 1.7295 | 2.625 | 2.597 | 1.750 | 1.764 | 1 1/4 1.250 | 0.080 | 0.870 | ||
| 2 | 2.0000 | 1.9780 | 3.000 | 2.970 | 2.000 | 1.983 | 1 1/2 1.500 | 0.090 | 0.995 | ||
| 2 1/4 | 2.2500 | 2.2280 | 3.375 | 3.344 | 2.250 | 2.232 | 1 3/4 1.750 | 0.100 | 1.120 | ||
| 2 1/2 | 2.5000 | 2.4762 | 3.750 | 3.717 | 2.500 | 2.481 | 1 3/4 1.750 | 0.110 | 1.245 | ||
| 2 3/4 | 2.7500 | 2.7262 | 4.125 | 4.090 | 2.750 | 2.730 | 2 2.000 | 0.120 | 1.370 | ||
| 3 | 3.0000 | 2.9762 | 4.500 | 4.464 | 3.000 | 2.979 | 2 1/4 2.250 | 0.130 | 1.495 | ||
| 3 1/4 | 3.2500 | 3.2262 | 4.875 | 4.837 | 3.250 | 3.228 | 2 1/4 2.250 | 0.140 | 1.620 | ||
| 3 1/2 | 3.5000 | 3.4762 | 5.250 | 5.211 | 3.500 | 3.478 | 2 3/4 2.750 | 0.150 | 1.745 | ||
| 3 3/4 | 3.7500 | 3.7262 | 5.625 | 5.584 | 3.750 | 3.727 | 2 3/4 2.750 | 0.160 | 1.870 | ||
| 4 | 4.0000 | 3.9762 | 6.000 | 5.958 | 4.000 | 3.976 | 3 3.000 | 0.170 | 1.995 | ||
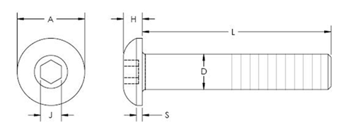
| STANDARD BUTTON HEAD CAP SCREWS | |||||
![]() |
|||||
| Screw Size | D | A | J | S | H |
| #4 | 0.112 | 0.213 | 0.0625 | 0.015 | 0.059 |
| #6 | 0.138 | 0.262 | 0.078125 | 0.015 | 0.073 |
| #8 | 0.164 | 0.312 | 0.09375 | 0.015 | 0.087 |
| #10 | 0.19 | 0.361 | 0.125 | 0.02 | 0.101 |
| 1/4 | 0.25 | 0.437 | 0.15625 | 0.031 | 0.132 |
| 5/16 | 0.3125 | 0.547 | 0.1875 | 0.031 | 0.166 |
| 3/8 | 0.375 | 0.656 | 0.21875 | 0.031 | 0.199 |
| 1/2 | 0.5 | 0.875 | 0.3125 | 0.046 | 0.265 |
| 5/8 | 0.625 | 1 | 0.375 | 0.062 | 0.331 |
| STANDARD HEX HEAD BOLTS | |||
![]() |
|||
| Bolt Size | Thread Diameter | Head Width | Head Height |
| A | B | C | |
| 1/4 | 0.250 | 0.438 | 0.156 |
| 5/16 | 0.313 | 0.500 | 0.203 |
| 3/8 | 0.375 | 0.562 | 0.234 |
| 7/16 | 0.438 | 0.625 | 0.281 |
| 1/2 | 0.500 | 0.750 | 0.323 |
| 9/16 | 0.563 | 0.813 | 0.359 |
| 5/8 | 0.625 | 0.938 | 0.391 |
| 3/4 | 0.750 | 1.125 | 0.483 |
| 7/8 | 0.875 | 1.313 | 0.547 |
| 1 | 1.000 | 1.500 | 0.609 |
| STANDARD SOCKET FLAT HEAD CAP SCREWS | ||||||
![]() |
||||||
| Nominal Size | Body Diameter |
Head Diameter |
Head Height | Hexagon Socket Size | ||
| Theo-retical Sharp | Abs. Min. |
Reference | ||||
| Max | Min | Max | Nom. | |||
| D | A | H | J | |||
| 0 | 0.0600 | 0.0568 | 0.138 | 0.117 | 0.044 | 0.035 |
| 1 | 0.0730 | 0.0695 | 0.168 | 0.143 | 0.054 | 0.050 |
| 2 | 0.0860 | 0.0822 | 0.197 | 0.168 | 0.064 | 0.050 |
| 3 | 0.0990 | 0.0949 | 0.226 | 0.193 | 0.073 | 1/16 |
| 4 | 0.1120 | 0.1075 | 0.255 | 0.218 | 0.083 | 1/16 |
| 5 | 0.1250 | 0.1202 | 0.281 | 0.240 | 0.090 | 5/64 |
| 6 | 0.1380 | 0.1329 | 0.307 | 0.263 | 0.097 | 5/64 |
| 8 | 0.1640 | 0.1585 | 0.359 | 0.311 | 0.112 | 3/32 |
| 10 | 0.1900 | 0.1840 | 0.411 | 0.359 | 0.127 | 1/8 |
| 1/4 | 0.2500 | 0.2435 | 0.531 | 0.480 | 0.161 | 5/32 |
| 5/16 | 0.3125 | 0.3053 | 0.656 | 0.600 | 0.198 | 3/16 |
| 3/8 | 0.3750 | 0.3678 | 0.781 | 0.720 | 0.234 | 7/32 |
| 7/16 | 0.4375 | 0.4294 | 0.844 | 0.781 | 0.234 | 1/4 |
| 1/2 | 0.5000 | 0.4919 | 0.938 | 0.872 | 0.251 | 5/16 |
| 5/8 | 0.6250 | 0.6163 | 1.188 | 1.112 | 0.324 | 3/8 |
| 3/4 | 0.7500 | 0.7406 | 1.438 | 1.355 | 0.396 | 1/2 |
| 7/8 | 0.8750 | 0.8647 | 1.688 | 1.604 | 0.468 | 9/16 |
| 1 | 1.0000 | 0.9886 | 1.938 | 1.841 | 0.540 | 5/8 |
| 1 1/8 | 1.1250 | 1.1086 | 2.188 | 2.079 | 0.611 | 3/4 |
| 1 1/4 | 1.2500 | 1.2336 | 2.438 | 2.316 | 0.683 | 7/8 |
| 1 3/8 | 1.3750 | 1.3568 | 2.688 | 2.553 | 0.755 | 7/8 |
| 1 1/2 | 1.5000 | 1.4818 | 2.938 | 2.791 | 0.827 | 1 |
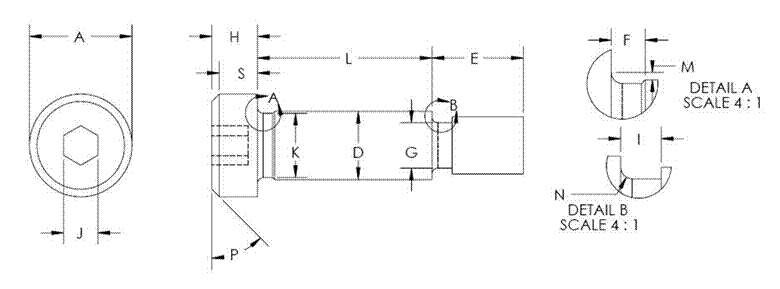
| STANDARD SHOULDER SCREWS | |||||||||
![]() |
|||||||||
| Nominal Size | Shoulder Diameter |
Head Diameter |
Head Height |
Head Side Height |
Nominal Thread Size | Thread Length |
|||
| Max | Min | Max | Min | Max | Min | Min | |||
| D | A | H | S | D | E | ||||
| 1/4 | 0.2480 | 0.2460 | 0.375 | 0.357 | 0.188 | 0.177 | 0.157 | 10 - 24 | 0.375 |
| 5/16 | 0.3105 | 0.3085 | 0.438 | 0.419 | 0.219 | 0.209 | 0.183 | 1/4 - 20 | 0.438 |
| 3/8 | 0.3730 | 0.3710 | 0.562 | 0.543 | 0.250 | 0.240 | 0.209 | 5/16 - 18 | 0.500 |
| 1/2 | 0.4980 | 0.4960 | 0.750 | 0.729 | 0.312 | 0.302 | 0.262 | 3/8 - 16 | 0.625 |
| 5/8 | 0.6230 | 0.6210 | 0.875 | 0.853 | 0.375 | 0.365 | 0.315 | 1/2 - 13 | 0.750 |
| 3/4 | 0.7480 | 0.7460 | 1.000 | 0.977 | 0.500 | 0.490 | 0.421 | 5/8 - 11 | 0.875 |
| 1 | 0.9980 | 0.9960 | 1.312 | 1.287 | 0.625 | 0.610 | 0.527 | 3/4 - 10 | 1.000 |
| 1 1/4 | 1.2480 | 1.2460 | 1.750 | 1.723 | 0.750 | 0.735 | 0.633 | 7/8 - 9 | 1.125 |
| 1 1/2 | 1.4980 | 1.4960 | 2.125 | 2.095 | 1.000 | 0.980 | 0.842 | 1 1/8 - 7 | 1.500 |
| 1 3/4 | 1.7480 | 1.7460 | 2.375 | 2.345 | 1.125 | 1.105 | 0.948 | 1 1/4 - 7 | 1.750 |
| 2 | 1.9980 | 1.9960 | 2.750 | 2.720 | 1.250 | 1.230 | 1.054 | 1 1/2 - 6 | 2.000 |
| Nominal Size | Thread Neck Diameter |
Thread Neck Width | Shoulder Neck Diameter | Shoulder Neck Width | Thread Neck Fillet |
Head Fillet Extension Above D | Hexagon Socket Size | ||
| Max | Min | Max | Min | Max | Max | Min | Max | Nom | |
| G | I | K | F | N | M | J | |||
| 1/4 | 0.142 | 0.133 | 0.083 | 0.227 | 0.093 | 0.023 | 0.017 | 0.014 | 1/8 |
| 5/16 | 0.193 | 0.182 | 0.100 | 0.289 | 0.093 | 0.028 | 0.022 | 0.017 | 5/32 |
| 3/8 | 0.249 | 0.237 | 0.111 | 0.352 | 0.093 | 0.031 | 0.025 | 0.020 | 3/16 |
| 1/2 | 0.304 | 0.291 | 0.125 | 0.477 | 0.093 | 0.035 | 0.029 | 0.026 | 1/4 |
| 5/8 | 0.414 | 0.397 | 0.154 | 0.602 | 0.093 | 0.042 | 0.036 | 0.032 | 5/16 |
| 3/4 | 0.521 | 0.502 | 0.182 | 0.727 | 0.093 | 0.051 | 0.045 | 0.039 | 3/8 |
| 1 | 0.638 | 0.616 | 0.200 | 0.977 | 0.125 | 0.055 | 0.049 | 0.050 | 1/2 |
| 1 1/4 | 0.750 | 0.726 | 0.222 | 1.227 | 0.125 | 0.062 | 0.056 | 0.060 | 5/8 |
| 1 1/2 | 0.964 | 0.934 | 0.286 | 1.478 | 0.125 | 0.072 | 0.066 | 0.070 | 7/8 |
| 1 3/4 | 1.089 | 1.059 | 0.286 | 1.728 | 0.125 | 0.072 | 0.066 | 0.080 | 1 |
| 2 | 1.307 | 1.277 | 0.333 | 1.978 | 0.125 | 0.102 | 0.096 | 0.090 | 1 1/4 |
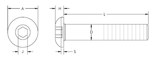
| METRIC BUTTON HEAD CAP SCREW | |||||
![]() |
|||||
| Screw Size | D | A | J | S | H |
| M3 | 3 | 5.7 | 2 | 0.38 | 1.65 |
| M4 | 4 | 7.6 | 2.5 | 0.38 | 2.2 |
| M5 | 5 | 9.5 | 3 | 0.5 | 2.75 |
| M6 | 6 | 10.5 | 4 | 0.8 | 3.3 |
| M8 | 8 | 14 | 5 | 0.8 | 4.4 |
| M10 | 10 | 17.5 | 6 | 0.8 | 5.5 |
| M12 | 12 | 21 | 8 | 0.8 | 6.6 |
| METRIC FLAT SOCKET CAP SCREW | |||
![]() |
|||
| Screw Size | C | A | B |
| M3 | 3 | 6.72 | 2 |
| M4 | 4 | 8.96 | 2.5 |
| M5 | 5 | 11.2 | 3 |
| M6 | 6 | 13.44 | 4 |
| M8 | 8 | 17.92 | 5 |
| M10 | 10 | 22.4 | 6 |
| M12 | 12 | 26.88 | 8 |
| M16 | 16 | 33.6 | 10 |
| M20 | 20 | 40.32 | 12 |
| METRIC HEX HEAD BOLT | |||
![]() |
|||
| Bolt Size | A | B | C |
| M4 | 4 | 7 | 2.8 |
| M5 | 5 | 8 | 3.5 |
| M6 | 6 | 10 | 4 |
| M7 | 7 | 11 | 4.8 |
| M8 | 8 | 13 | 5.3 |
| M10 | 10 | 17 | 6.4 |
| M12 | 12 | 19 | 7.5 |
| M14 | 14 | 22 | 8.8 |
| M16 | 16 | 24 | 10 |
| M20 | 20 | 30 | 12.5 |
| M24 | 24 | 36 | 15 |
| Metric Socket Head Cap Screws | |||||||||
![]() |
|||||||||
| Nom. Size and Thread Pitch | Body Diameter D |
Head Diameter A |
Head Height H |
Chamfer or Radius S |
Hexagon Socket Size J |
Key Engage- |
|||
| Max | Min | Max | Min | Max | Min | Max | Nom | Min | |
| M1.6 X 0.35 | 1.60 | 1.46 | 3.00 | 2.87 | 1.60 | 1.52 | 0.16 | 1.5 | 0.80 |
| M2 X 0.4 | 2.00 | 1.86 | 3.80 | 3.65 | 2.00 | 1.91 | 0.20 | 1.5 | 1.00 |
| M2.5 X 0.45 | 2.50 | 2.36 | 4.50 | 4.33 | 2.50 | 2.40 | 0.25 | 2.0 | 1.25 |
| M3 X 0.5 | 3.00 | 2.86 | 5.50 | 5.32 | 3.00 | 2.89 | 0.30 | 2.5 | 1.50 |
| M4 X 0.7 | 4.00 | 3.82 | 7.00 | 6.80 | 4.00 | 3.88 | 0.40 | 3.0 | 2.00 |
| M5 X 0.8 | 5.00 | 4.82 | 8.50 | 8.27 | 5.00 | 4.86 | 0.50 | 4.0 | 2.50 |
| M6 X 1 | 6.00 | 5.82 | 10.00 | 9.74 | 6.00 | 5.85 | 0.60 | 5.0 | 3.00 |
| M8 X 1.25 | 8.00 | 7.78 | 13.00 | 12.70 | 8.00 | 7.83 | 0.80 | 6.0 | 4.00 |
| M10 X 1.5 | 10.00 | 9.78 | 16.00 | 15.67 | 10.00 | 9.81 | 1.00 | 8.0 | 5.00 |
| M12 X 1.75 | 12.00 | 11.73 | 18.00 | 17.63 | 12.00 | 11.79 | 1.20 | 10.0 | 6.00 |
| M14 X 2 | 14.00 | 13.73 | 21.00 | 20.60 | 14.00 | 13.77 | 1.40 | 12.0 | 7.00 |
| M16 X 2 | 16.00 | 15.73 | 24.00 | 23.58 | 16.00 | 15.76 | 1.60 | 14.0 | 8.00 |
| M20 X 2.5 | 20.00 | 19.67 | 30.00 | 29.53 | 20.00 | 19.73 | 2.00 | 17.0 | 10.00 |
| M24 X 3 | 24.00 | 23.67 | 36.00 | 35.48 | 24.00 | 23.70 | 2.40 | 19.0 | 12.00 |
| M30 X 3.5 | 30.00 | 29.67 | 45.00 | 44.42 | 30.00 | 29.67 | 3.00 | 22.0 | 15.00 |
| M36 X 4 | 36.00 | 35.61 | 54.00 | 53.37 | 36.00 | 35.64 | 3.60 | 27.0 | 18.00 |
| M42 X 4.5 | 42.00 | 41.61 | 63.00 | 62.31 | 42.00 | 41.61 | 4.20 | 32.0 | 21.00 |
| M48 X 5 | 48.00 | 47.61 | 72.00 | 71.27 | 48.00 | 47.58 | 4.80 | 36.0 | 24.00 |









